THIDO

TDA7560 Amplificador De Audio De 4x55W Estereo Clase AB

$118.10 +IVA



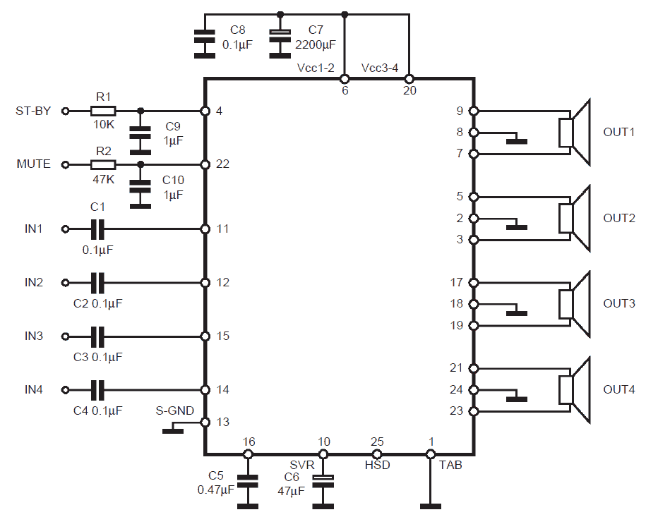
El TDA7560 es un innovador amplificador de potencia de audio de clase AB con tecnología BCD (Bipolar / CMOS / DMOS) en un paquete Flexiwatt de 25 pines, diseñado para radio de coche de alta potencia. La estructura de salida de canal P / canal N totalmente complementaria permite un voltaje de salida de riel a riel que, combinado con un alto rendimiento las pérdidas por saturación de corriente y minimizadas establecen nuevas referencias de potencia en el campo de la radio del automóvil, con rendimientos de distorsión incomparables.

Reseñas de producto (0)

Productos relacionados